Ça y est, nous avons reçu les volets roulant et l’entreprise est venue les poser aujourd’hui. Au programme pose et réglage des 8 volets de la façade arrière et des 4 de la façade SUD. Pour chaque pièce l’électricien a prévu une boite de dérivation dans l’angle du volet et j’avais fait le nécessaire pour laisser le tout accessible après la pose des placo. L’installation n’a pas été trop compliqué sauf pour un volet qui c’est révélé être trop large… En fait la maison est ancienne et rien n’est droit. Les tableaux extérieures sont en V, ce qui fait que le tablier du volet rentrait mais pas le caisson qui est plus profond. Ils ont du recouper le volet et le tablier sur place.



Nous allons enfin pouvoir retirer l’avis de demande de travaux apposé sur la clôture depuis un an 🙂
Par contre gros soucis…. autant au premier j’ai prévu une commande par volet, autant en rez-de-chaussée j’ai voulu mutualiser les commandes : une commande pour 2 volets. Disons le clairement : ça ne marche pas. et j’ai fait ça 2 fois : une fois pour le salon et une fois pour la chambre
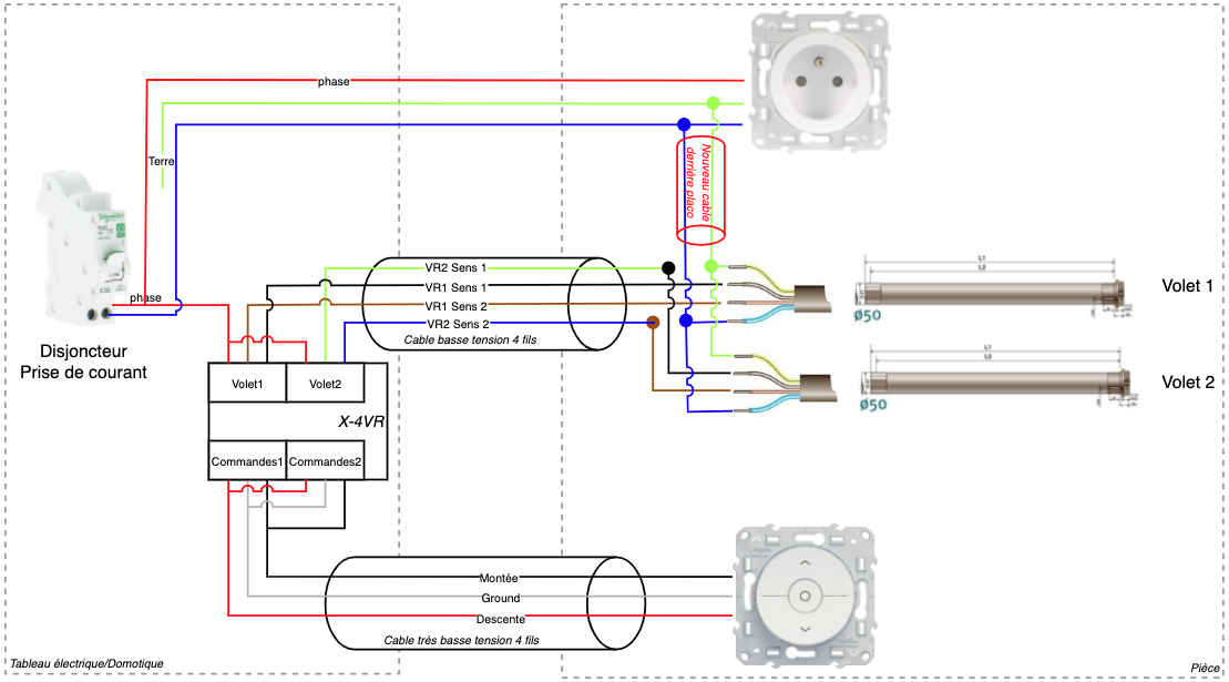
Constat : Quand le premier volet arrive en in de course et que le second n’y est pas encore, le premier se met à faire haut -> bas -> haut -> bas jusqu’à ce que le second volet soit arrivé en position. Le moteur grogne en plus.. Reprenons le schéma électrique posé par l’électricien. Le module domotique X-4VR peut être ignoré en considérant que l’interrupteur est directement connecté à la ligne du volet :

Sur ce schéma on a en bas le bouton qui commande l’X-4VR. J’ai donc un câble électrique 4 fils qui va de l’interrupteur dans la pièce vers le tableau domotique qui est dans le cellier (tension 12Volt).
Ensuite j’ai un autre câble 4 fils qui va du tableau domotique vers le premier volet, ponté sur le second volet qui est juste à côté (220V).
Ce qu’il se passe : quand on appuie sur le bouton « montée », du 220V est injecté dans le câble « sens 1 » (on imagine qui c’est lui qui fait monter et sens 2 descendre). Les deux moteurs reçoivent ce 220 sur leur fils de montée et font donc monter le volet. Le problème c’est que le moteur génère un courant induit ou de fuite sur le fils sens 2. Quand il n’y a qu’un volet pas de soucis, ça va a l’interrupteur qui est dans l’autre position donc il ne se passe rien. Quand il y a un second moteur… il reçoit du coup cette tension sur son fil de descente… tout en ayant aussi de la tension sur le fils de montée : conclusion il est perdu et s’abime.
Le problème ici est que les placos sont posés et que je n’ai donc pas la possibilité de tirer un nouveau câble pour le second volet afin qu’il soit indépendant du premier.
Ce qu’il me faut c’est :
– Un fil montée pour le volet 1
– Un fil descente pour le volet 1
– Un fil montée pour le volet 2
– Un fil descente pour le volet 2
– Un fil neutre
– Un fil terre
Mon câble n’a que 4 fils et pas 6 🙁
Il va falloir feinter et utiliser tout ce qui se trouve à proximité. Sur ce même mur se trouve une prise de courant et une applique. L’applique est commandé par un interrupteur et est connecté à un disjoncteur 10A. La prise est toujours alimentée et est raccordé à un disjoncteur 16A. Les volet sont sur un disjoncteur 16A. Le câble de commande des volets à 4 fils… et il m’en faut 4 pour les ordres. Il me manque 2 fils : la terre et le neutre. Bingo, je peux prendre ceux de la prise !!
Voici le nouveau schéma :

Côté tableau électrique je raccorde le module X-4VR sur le disjoncteur de la prise de courant a lieu de celui du volet et je branche l’ancien fil de terre et de neutre sur un second volet (ouf il me restait 2 volets de libre sur mon module). Je ponte aussi l’interrupteur sur le bornier de gestion du deuxième volet comme ça les deux volets reçoivent le même ordre en même temps.
Côté volet je déconnecte l’ancien fil de terre et l’ancien fil de neutre et je les envoi vers le second volet en fil de phase montante et descendante. J’identifie bien tout ça car je suis hors norme. Je passe un câble entre la prise et le boitier volet (un peu chiant mais que 2m à faire) pour ramener le neutre et la terre et je raccorde ça aux deux volets.
Je remets le courant et … ça marche 🙂 Du coup en entrée de pièce le bouton gère les deux volets en même temps, mais si je veux je peux les piloter indépendamment par l’application domotique (pour les cas particuliers).
ouf !